Dead-end Assembly - Twin-Bundle Conductor, Double Insulator, 30K
PLP String Assemblies include a full selection of tower hardware for tangent suspension, angle, and dead-end assemblies. The assemblies are organized by rated voltage values, number of conductors, general assembly type, and vertical strength of the associated insulators.
- All items will arrive in one weather-resistant crate, so all string parts will be delivered at the same time.
- String Assemblies are packaged and marked by string or tower for easy field identification, to minimize handling, and to expedite string installation.
- The number of assemblies per crate can be modified based on customer requirements.
- The catalog numbers provided represent commonly used string configurations. Please contact a PLP sales representative if you are interested in design modifications, or creation of an assembly to your specification.
Notes:
- All galvanizing has been performed per ASTM A153
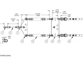
- Parts with length “L” are variable length and dependent on the string design and line parameters.
- Suspension Clamp and associated attachment hardware sold separately. See the Suspension and Support section of the website for AGS / CGS / Bolted Clamp and Armor Rods options.
- Compression Dead-end Assemblies are sold separately. Please see the Compression Hardware section of the website for ACSR / ACSS / ACCC configurations.
- Corona rings are packaged separately.
- Please see the individual component drawings for detailed dimensions and material properties of parts.
Sales Materials
| Catalog Number |
| D-IX-22-30 |
| Bill of Materials | |||||
| Part Number | Description | QTY | Material |
Weight (Ea) lbs. (Kg) |
UBS lbs. |
| AS-50BNK | Anchor Shackle | 2 | Galv. Steel | 1.7 (0.8) | 50,000 |
| EEL-50-L | Eye-Eye Link ("L") | 1 | Galv. Steel | Variable | 50,000 |
| YPD-65607 | Yoke Plate, Triangle, 50K (APEX Hole) | 1 | Ductile Iron | 20.8 (9.4) | 50,000 |
| Supplied By Other | Insulator String | 2 | - | - | - |
| SYC-30 | Socket Y-Clevis | 2 | Ductile Iron | 2.5 (1.1) | 30,000 |
| YPR-65606 | Yoke Plate, Rectangle, 30K (Per Hole) | 1 | Ductile Iron | 29.0 (13.2) | 30,000 |
| AS-30BNK | Anchor Shackle | 2 | Galv. Steel | 1.1 (0.5) | 30,000 |
| See Note 4 in Features section | Compression Dead-end Jumper Assembly | 2 | Galv. Steel and Aluminum | - | 95% Tension |
▼


